您當前的位置:首頁 > 產品中心 > 金牌對邊機伺服糾偏器
詳細介紹:
東莞天機傳動(臺灣天機牌)生產廠家銷售的PO5金牌對邊機又稱氣油壓金牌對邊機,采用的進口原材料,臺灣生產加工技術,產品通過ISO9001質量體系認證和CE認證,質量放心可靠。咨詢熱線:180-2828-7736。
PO5金牌對邊機(氣油壓金牌對邊機)特點如下:造型美觀、機械強度好、連接附件齊備;具有安裝方便、傳動可靠、運行平穩、磨損小壽命長;憑借著它極小的回退力驅動器反沖小,免維護;具有最靈敏的響應性能穩定性好、保護完備、效率高、熱耗低,延緩了器件老化;安裝極為方便、快捷,免去了復雜的調試和準備工作。

安裝PO5金牌對邊機(氣油壓金牌對邊機)的優點:
(1)因速度、拉力、材料厚薄不均或機械損害造成材料移位現象,可經由本系統修正回到原來的位置。
(2)原先所需預留的材料修邊量可降至最低的程度,節省加工材料需要預加的寬度,降低購料成本。
(3)機械速度可大幅的提升,增加產量,并免除人員看顧材料及調整材料偏位時所花的時間及金錢,為您降低生產成本。
(4)使您的成品材料邊緣平整,中間加工品質提高,增加成品材料的附加價值,博得下游客戶的讚許
PO5金牌對邊機(氣油壓金牌對邊機)適用行業:薄膜機械,紙張機械,復合機械,貼合機械,包裝機械,印刷機械,標機械簽,造紙機械,塑料機械,成衣機械,線纜機械,金屬加工機械,無紡機械,波紋板加工機械等。
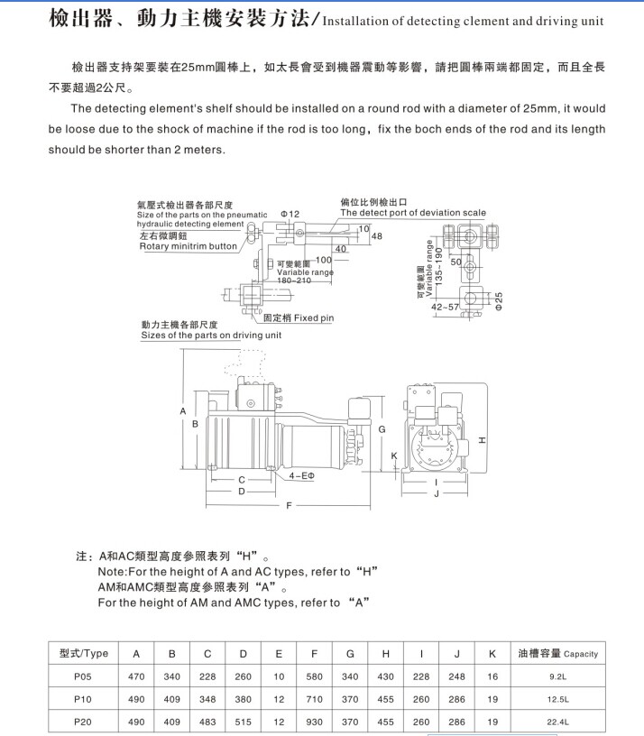
以下是PO5金牌對邊機(氣油壓金牌對邊機)外形尺寸結構圖

















